
工作原理:
紫外線凈水器的工作原理是應用波長225-275um,峰值在254um的紫外線光譜所具有的能量。紫外線光譜能量為****核酸所吸收,可破壞微生物的核酸結構,具有強烈的****作用,從而達到****的目的。該設備能有效殺滅大腸桿菌,痢疾病菌,軍團菌,綠膿桿菌,流行感冒病毒,肝炎病毒等,使水得以凈化。紫外線****屬物理法處理,不會產生三鹵,甲烷等對人體有害的二次污染物。紫外線輸出頻率高,****能力強,石英管透光率高,能量損失小,設備體積小,安裝方便靈活。
功能參數:
○ 輸入電源:220V/50HZ
○ 適應水溫:≤60℃
○ 工作壓力:≤0.6Mpa
○ 使用壽命:10-15年
功能:
主要是消滅殺死水中的各種病毒、****,有效地解決飲用水中的二次污染情況,對其它場所水系統的菌類、藻類也可以使用。如中央空調冷卻循環水系統、工業循環水系統等,盡量配合黃銹水過濾使用效果更好。
型號說明:
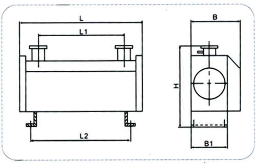
外型尺寸圖:
外型尺寸一覽表:
安裝舉例:
生活飲用水系統
ZY:紫外線凈水儀 H:黃銹水過濾器 :閥門
中央空調系統
ZY:紫外線凈水儀 H:黃銹水過濾器 cf:水垢儀
用途:
自備水源、二次供水系統、工業循環系統、空調循環系統、食品、飲料等行業的生產用水。
注意事項:
1.該設備只********,不改變水的其它指標。
2.在原水質超過設備適用水質要求時,應先采用其它方法凈化以達設備適用水質要求后,再用紫外線凈水器進行處理。
3.當****總數超過3000個/毫升,大腸桿菌數超過800個/升應采用多臺串聯或酌情降低流量,以達到凈化標準。
4.必須加裝旁通,以便在不停機狀態下檢修設備。
下一條: 暫無



